Главная >> Физика. 10 класс. Часть 2. Генденштейн

§ 61. Расчёт электрических цепей

Смешанное соединение проводников

Рассмотрим электрическую схему на рисунке 61.1. Некоторые проводники в ней соединены последовательно друг с другом, а некоторые — параллельно.

    Рис. 61.1

1. Какие проводники в этой схеме соединены последовательно друг с другом? Какие — параллельно?

Соединение проводников, при котором часть проводников соединена последовательно друг с другом, а часть — параллельно, называют смешанным.

При расчёте сопротивления смешанного соединения проводников часто используют метод эквивалентного преобразования схем. При этом данную схему последовательно преобразуют в более простую, но имеющую такое же сопротивление.

Например, схему, изображённую на рисунке 61.1, можно преобразовать по следующему плану:

1. Заменить участок цепи с резисторами 1 и 2 одним резистором с сопротивлением, которое мы обозначим R12.

2. Заменить участок цепи, содержащий резисторы с сопротивлениями R12 и R3, одним резистором с сопротивлением, которое мы обозначим R123.

3. Заменить участок цепи с резисторами 4 и 5 одним резистором с сопротивлением, которое мы обозначим R45.

4. Заменить участок цепи с резисторами сопротивлением R123 и R45 одним резистором. Его сопротивление и будет равно сопротивлению всего участка цепи.

2. В цепи, схема которой изображена на рисунке 61.1, сопротивление каждого резистора, выраженное в омах, примите равным номеру этого резистора. Начертите схемы, соответствующие каждому пункту намеченного выше плана; найдите R12, R123, К45 и сопротивление всего участка.

Не всегда с первого взгляда на электрическую схему можно распознать вид соединения проводников.

В таком случае полезно найти точки с одинаковым потенциалом (например, соединённые проводами, сопротивление которых в таких задачах считают обычно пренебрежимо малым). Затем надо перечертить схему, объединив точки с одинаковым потенциалом.

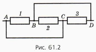
Рассмотрим, например, схему участка цепи, изображённую на рисунке 61.2.

    Рис. 61.2

Точки А и С соединены проводом с пренебрежимо малым сопротивлением, поэтому потенциалы этих точек равны. То же можно сказать и о точках В и D.

Следовательно, схему можно перечертить, объединив точки А и С в одну точку (обозначим её АС), а точки В и D объединив в точку BD. При этом, согласно исходной схеме, один конец каждого из трёх резисторов соединён с точкой АС, а другой — с точкой BD (рис. 61.3).

    Рис. 61.3

Теперь мы видим, что резисторы соединены параллельно.

Окончание >>>

 

 

???????@Mail.ru