Главная >> Колебания и волны. Физика 11 класс. Мякишев

Глава 2. Электрические колебания

§ 2.13. Генератор на транзисторе

Ламповые генераторы в настоящее время почти полностью вытеснены полупроводниковыми генераторами на транзисторах. Исключение составляют только очень мощные генераторы.
Генераторы на транзисторах компактнее, надежнее и экономичнее ламповых генераторов.

Схема генератора на транзисторе в принципе ничем не отличается от схемы лампового генератора (см. рис. 2.29). Это такая же автоколебательная система, но только роль клапана, управляющего током в анодной цепи, вместо триода играет транзистор.

Транзистор, напомним, состоит из трех полупроводниковых слоев: эмиттера, базы и коллектора. Эмиттер и коллектор имеют одинаковые основные носители заряда, например, электроны (это полупроводники n-типа), а база имеет основные носители противоположного знака — дырки (полупроводник p-типа). База играет роль управляющего электрода триода — сетки, коллектор роль анода, а эмиттер роль катода, поставляющего заряженные частицы в анодную цепь генератора.

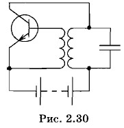
Упрощенная схема генератора на транзисторе показана на рисунке 2.30. Колебательный контур соединен последовательно с источником тока и транзистором таким образом, что на коллектор подан положительный потенциал, а на эмиттер — отрицательный.

Чтобы в генераторе возникли незатухающие колебания, нужно сообщать базе положительный потенциал относительно эмиттера в те моменты времени, когда нижняя (по рисунку) пластина конденсатора заряжена положительно, а верхняя отрицательно (коллекторный переход открыт). При этом идет ток в цепи контура, подзаряжая конденсатор. Напротив, в интервалы времени, когда нижняя пластина конденсатора заряжена отрицательно, а верхняя — положительно, ток в цепи контура должен отсутствовать. Для этого база должна иметь отрицательный потенциал, а эмиттер положительный (коллекторный переход закрыт).

Колебания в контуре управляют колебаниями напряжения на n—р-переходе эмиттер — база (эмиттерном переходе) посредством индуктивной обратной связи, как и в ламповом генераторе. Если фаза колебаний напряжения на эмиттерном переходе подобрана правильно, то «толчки» тока в цепи контура действуют на контур в нужные моменты времени и колебания в контуре не затухают. Для этого концы обмотки катушки Lc должны быть присоединены к базе и эмиттеру так, чтобы при положительном потенциале нижней пластины конденсатора потенциал базы также был положительным.

Амплитуда автоколебаний в контуре пропорциональна напряжению, создаваемому источником, а частота определяется формулой Томсона, как и в случае лампового генератора.

Генераторы на транзисторах применяются во множестве радиотехнических устройств: в радиоприемниках, передатчиках небольшой мощности и т. д. Во всех современных электронных вычислительных машинах имеются миниатюрные генераторы на транзисторах.

Основные элементы автоколебательной системы

1) источник энергии, за счет которого поддерживаются незатухающие колебания (в обоих генераторах это источник постоянного напряжения);

2) устройство, регулирующее поступление энергии от источника — «клапан» (в ламповом генераторе роль «клапана» играет триод, а в генераторе на транзисторе — транзистор);

3) колебательная система, т. е. та часть автоколебательной системы, в которой непосредственно происходят колебания (в обоих генераторах это колебательный контур);

4) обратная связь, с помощью которой колебательная система управляет «клапаном» (в обоих генераторах это индуктивная связь катушки контура с катушкой в цепи сетки или в цепи эмиттерного перехода).

* * *

На этом мы заканчиваем изучение механических и электрических колебаний. Замечательна тождественность общего характера процессов различной природы, тождественность математических уравнений, которые их описывают. Эта тождественность, как мы видели, сильно облегчает изучение колебаний.

1. Нарисуйте векторную диаграмму для цепи (рис. 2.32).

2. Может ли амплитуда силы тока при резонансе в колебательном контуре с активным сопротивлением R превысить силу постоянного тока в цепи с таким же сопротивлением R и постоянным напряжением, равным амплитуде переменного напряжения?

 

 

???????@Mail.ru