Главная >> Колебания и волны. Физика 11 класс. Мякишев

Глава 3. Производство, передача, распределение и использование электрической энергии

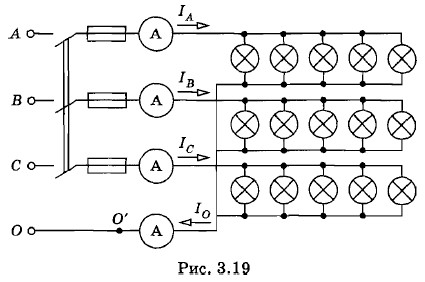
§ 3.7. Соединение потребителей электрической энергии

Соединение звездой

Потребители электрической энергии, так же как и обмотки генератора, могут соединяться звездой и треугольником. При соединении звездой трехфазная система может быть четырехпроводной (при неравномерной нагрузке на каждую фазу) и трехпроводной (при равномерной нагрузке).

Неравномерная (несимметричная) нагрузка имеет место, как правило, в осветительных сетях. В этом случае в четырехпроводной трехфазной системе лампы включаются между нейтральным (нулевым) проводом и каждым из линейных проводов (рис. 3.19). Условия работы потребителей энергии остаются теми же, что и в однофазной системе, так как благодаря нейтральному проводу напряжения на отдельных фазах* потребителей равны фазному напряжению.

    * Отдельные потребители тока или группы потребителей, включенные между одним из линейных проводов и нулевым проводом (в четырехпроводной системе) или между двумя линейными проводами (в трехпроводной системе), называются фазами потребителей.

Как видно из рисунка 3.19, сила тока в каждом из линейных проводов (Iл) равна силе тока в соответствующих фазах потребителя энергии (Iф):

Iл = Iф.                     (3.7.1)

Согласно первому правилу Кирхгофа мгновенное значение силы тока в нейтральном проводе при выбранных на рисунке 3.19 положительных направлениях токов равно сумме мгновенных значений фазных сил токов, т. е.

Согласно первому правилу Кирхгофа мгновенное значение силы тока в нейтральном проводе при выбранных на рисунке 3.19 положительных направлениях токов равно сумме мгновенных значений фазных сил токов, т. е.

iO = iA + iB + iС.

Действующее значение силы тока в нейтральном проводе определяется геометрическим сложением векторов фазных сил токов:

На рисунке (3.20, а) изображена векторная диаграмма действующих значений фазных напряжений и фазных сил токов в четырехпроводной цепи при неравномерной активной нагрузке. Так как нагрузка активная (электролампы), то для всех фаз cos φ = 1, и направления векторов напряжений и соответствующих векторов сил токов совпадают (φ = 0). Длины же векторов не одинаковы, так как не одинаковы сопротивления потребителей, включенных на каждую фазу. Сложив векторы фазных сил токов (рис. 3.20, б), находим вектор силы тока O в нулевом проводе. Как правило, сила тока в нейтральном проводе оказывается меньше сил токов в линейных проводах. Поэтому нейтральный провод может быть тоньше линейных проводов.

При равномерной (симметричной) нагрузке фаз сила тока в нейтральном проводе

iO = iA + iB + iC = О.

В этом случае нейтральный провод не нужен, и трехфазная система делается трехпроводной. Примером симметричной нагрузки являются трехфазные двигатели. Для их питания прокладывают трехпроводную линию. У трехфазного двигателя, как и у генератора, три обмотки. Три вывода этих обмоток (начала или концы) соединяют с линейными проводами сети, а три других вывода соединяют между собой в один узел. Обычно осветительная сеть и сеть, питающая двигатели (силовая сеть), монтируются отдельно.

Окончание параграфа >>>

 

 

???????@Mail.ru