Главная >> Колебания и волны. Физика 11 класс. Мякишев

Глава 5. Электромагнитные волны

§ 5.11. Детектирование колебани

Под действием электромагнитной волны передатчика в антенне приемника возбуждаются токи высокой частоты, такие же как токи в антенне передатчика, но только гораздо более слабые. Принятый приемником модулированный сигнал даже после усиления не способен непосредственно вызвать колебания мембраны телефона или рупора громкоговорителя со звуковой частотой. Он только возбудит высокочастотные колебания, не воспринимаемые нашим ухом. Кроме того, амплитуда вынужденных колебаний такой механической системы, как мембрана, при большой частоте очень мала. Вследствие инертности мембрана не будет успевать смещаться сколько-нибудь значительно за малое время, равное периоду высокочастотных колебаний. В приемнике необходимо сначала преобразовать высокочастотные модулированные колебания и получить сигнал звуковой частоты. При этом преобразовании сигнала, как и при модуляции, меняется частотный спектр колебаний. Поэтому должно быть применено устройство с нелинейной характеристикой.

Такое устройство, осуществляющее демодуляцию, или детектирование, содержит обычно элемент с односторонней проводимостью — детектор. Детектором может служить полупроводниковый диод или транзистор, вакуумный диод или триод. Мы рассмотрим работу полупроводникового детектора. На рисунке 5.30 изображена схема цепи, на вход которой поданы принятые антенной высокочастотные модулированные колебания. В цепь последовательно включены детектор (диод) и резистор (нагрузка). Пренебрегая обратным током, можно считать, что в цепи течет ток в одном направлении, отмеченном на рисунке стрелкой. Вольт-ампер- ную характеристику диода приближенно можно представить в виде ломаной, состоящей из двух прямолинейных отрезков (рис. 5.31). При данной характеристике диода ток в пропускном направлении проходит без искажения, а в запирающем направлении он равен нулю. В результате ток в цепи, изображенной на рисунке 5.30, будет пульсирующим. График зависимости силы тока от времени для этого случая показан на рисунке 5.32.

Пульсирующий ток сглаживается фильтром, состоящим из конденсатора С, шунтирующего резистор R (рис. 5.33). О том, как работает сглаживающий фильтр, было рассказано в §3.4. Сглаженный ток звуковой частоты течет через нагрузку. Форма колебаний этого тока почти точно воспроизводит форму низкочастотного сигнала на передающей станции (рис. 5.34, а). Этот ток можно рассматривать как сумму постоянного тока (рис. 5.34, б) и переменного тока низкой частоты (рис. 5.34, в). Небольшие пульсации высокой частоты не сказываются заметно на колебаниях мембраны и не воспринимаются на слух.

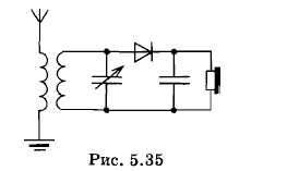
Детекторный приемник

Детекторный приемник

Простейший детекторный приемник состоит из колебательного контура, индуктивно связанного с антенной, и присоединенной к контуру цепи, состоящей из детектора и телефона (рис. 5.35). Катушки телефона играют роль нагрузки. Через них течет ток звуковой частоты.

Детекторный приемник очень прост, надежен, не требует источников питания. Однако отсутствие источников питания является и недостатком приемника: он принимает сигналы только близких или очень мощных радиостанций.

 

 

???????@Mail.ru