Главная >> Колебания и волны. Физика 11 класс. Мякишев

Глава 2. Электрические колебания

Упражнение 2 на тему: Электрические колебания

1. После зарядки конденсатора емкостью С от источника постоянного напряжения U переключатель замыкают на катушку индуктивностью L1 (см. рис. 2.5, б). В контуре возникают гармонические колебания с амплитудой силы тока Im1. Опыт повторяют по прежней схеме, заменив катушку на другую индуктивностью L2 = 2L1 Найдите амплитуду силы тока Im2 во втором случае.

2. Колебательный контур состоит из дросселя индуктивностью L = 0,2 Гн и конденсатора емкостью С = 10-5 Ф. Конденсатор зарядили до напряжения U = 20 В. Чему равна сила тока при разрядке конденсатора в момент, когда энергия контура оказывается распределенной поровну между электрическим и магнитным полями?

3. Определите частоту собственных колебаний в контуре, состоящем из соленоида длиной l = 15 см, площадью поперечного сечения S1 = 1 см2 и плоского конденсатора с площадью пластин S2 = 6 см2 и расстоянием между ними d = 0,1 см. Число витков соленоида N = 1000.

4. Электрический контур состоит из конденсатора постоянной емкости и катушки, в которую может вдвигаться сердечник. Один сердечник спрессован из порошка магнитного соединения железа (феррита) и является изолятором. Другой сердечник изготовлен из меди. Как изменится частота собственных колебаний контура, если в катушку вдвинуть: а) медный сердечник; б) сердечник из феррита?

магнитная индукция

5. Для чего в телефонной трубке нужен постоянный магнит (рис. 2.38)? Почему магнитная индукция этого магнита должна быть больше максимальной индукции, создаваемой током, проходящим по обмотке катушки телефона?

6. На вертикально отклоняющие пластины осциллографа подано напряжение u1 = Um1 cos ωt, а на горизонтально отклоняющие — напряжение u2 = Um2 cos (ωt - φ). Какую траекторию опишет электронный луч на экране осциллографа, если разность фаз между напряжениями на пластинах равна: а) б) φ2 = π?

7. Кипятильник работает от сети переменного тока с напряжением U = 120 В*. При температуре t1 = 20 °С спираль имеет сопротивление R1 = 25 Ом. Температурный коэффициент сопротивления материала спирали α = 2 • 10-2К-1. Определите массу воды, после закипания превратившейся в пар за время τ = 1 мин. Удельная теплота парообразования воды r = 2,26 • 106 Дж/кг.

    * В этой и последующих задачах даются действующие значения напряжения и силы тока.

8. При включении катушки в сеть переменного тока с напряжением 120 В и частотой 50 Гц сила тока в ней равна 4 А. При включении той же катушки в сеть постоянного тока с напряжением 50 В сила тока в катушке оказывается равной 5 А. Определите индуктивность катушки.

9. Определите сдвиг фаз между силой тока и напряжением в электрической цепи, если генератор отдает в цепь мощность Р = 8 кВт, амплитуда силы тока в цепи Im = 100 А и амплитуда напряжения на зажимах генератора Um = 200 В.

10. В сеть стандартной частоты с напряжением 100 В последовательно включены резистор сопротивлением 150 Ом и конденсатор емкостью 16 мкФ. Найдите полное сопротивление цепи, силу тока в ней, напряжения на зажимах резистора и конденсатора и сдвиг фаз между силой тока и напряжением.

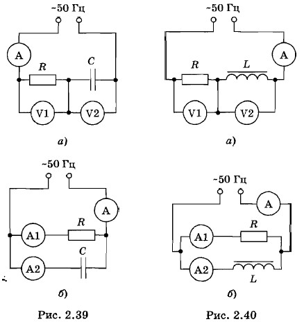
11. Каковы показания приборов в цепях, представленных схемами на рисунке 2.39, а, 64 Напряжение сети U = 250 В, R = 120 Ом, С = 20 мкФ. Постройте для обеих схем векторные диаграммы.

12. В сеть переменного тока стандартной частоты с напряжением 210 В включены последовательно резистор сопротивлением 40 Ом и катушка индуктивностью 0,2 Гн. Определите силу тока в цепи и сдвиг фаз между силой тока и напряжением. Конденсатор какой емкости надо включить последовательно в цепь, чтобы сдвиг фаз оказался равным нулю? Какой будет сила тока в цепи в этом случае?

13. Каковы показания приборов в цепях, схемы которых изображены на рисунке 2.40, а, б? Напряжение сети U = 119 В, активное сопротивление R = 8 Ом, индуктивность L = 0,048 Гн. Постройте для схемы, изображенной на рисунке 2.40, б, векторную диаграмму.

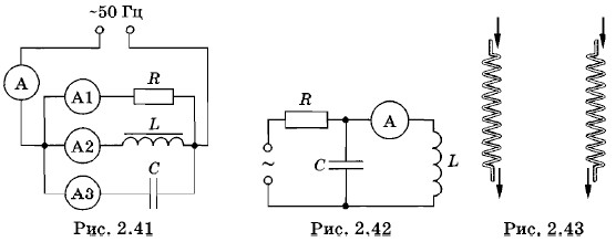
14. Найдите показания приборов в цепи, схема которой представлена на рисунке 2.41. Напряжение на зажимах цепи U = 216 В, R = 21 Ом, L = 70 мГн, С = 82 мкФ. Частота стандартная. Постройте векторную диаграмму сил токов.

15. Электродвигатель мощностью Р = 10 кВт присоединен к сети с напряжением U = 240 В, cos φ1 = 0,6, частота ν = 50 Гц. Вычислите емкость конденсатора, который нужно подключить параллельно двигателю для того, чтобы коэффициент мощности установки повысить до значения cos φ2 = 0,9.

16. В цепи, схема которой изображена на рисунке 2.42, R — 56 Ом, С = 106 мкФ и L = 159 мГн. Активное сопротивление катушки мало. Частота тока в сети ν = 50 Гц. Определите напряжение в сети U, если амперметр показывает 2,4 А. Постройте векторную диаграмму.

17. В катушке индуктивности сила тока линейно увеличивается со скоростью Найдите ЭДС индукции, возникающую при этом в катушке, если резонансная частота колебательного контура с этой катушкой и конденсатором емкостью С = 100 пФ равна v = 100 кГц.

18. Резонанс в колебательном контуре с конденсатором емкостью С1 = 1 мкФ наступает при частоте ν = 400 Гц. Когда параллельно конденсатору С1 подключают другой конденсатор емкостью С2, то резонансная частота становится равной ν2 = 100 Гц. Определите емкость С2. Активным сопротивлением контура пренебречь.

19. На рисунке 2.43 изображены два соленоида, каждый из которых может быть использован в ламповом генераторе в качестве катушки обратной связи. В один и тот же момент в обеих катушках ток течет сверху вниз. Однако при включении одной катушки генератор работает, а при включении другой — нет. Почему?

20. Конец пружины опущен в ванночку со ртутью (рис. 2.44). Что произойдет, если замкнуть ключ и пропустить через пружину достаточно сильный ток?

Ответы к упражнению 2 >>>

 

 

???????@Mail.ru